IT Enterprise - шаблон joomla Окна

Схема Вольво ФШ12.

Shema jelektricheskaja Volvo kachestvennaja

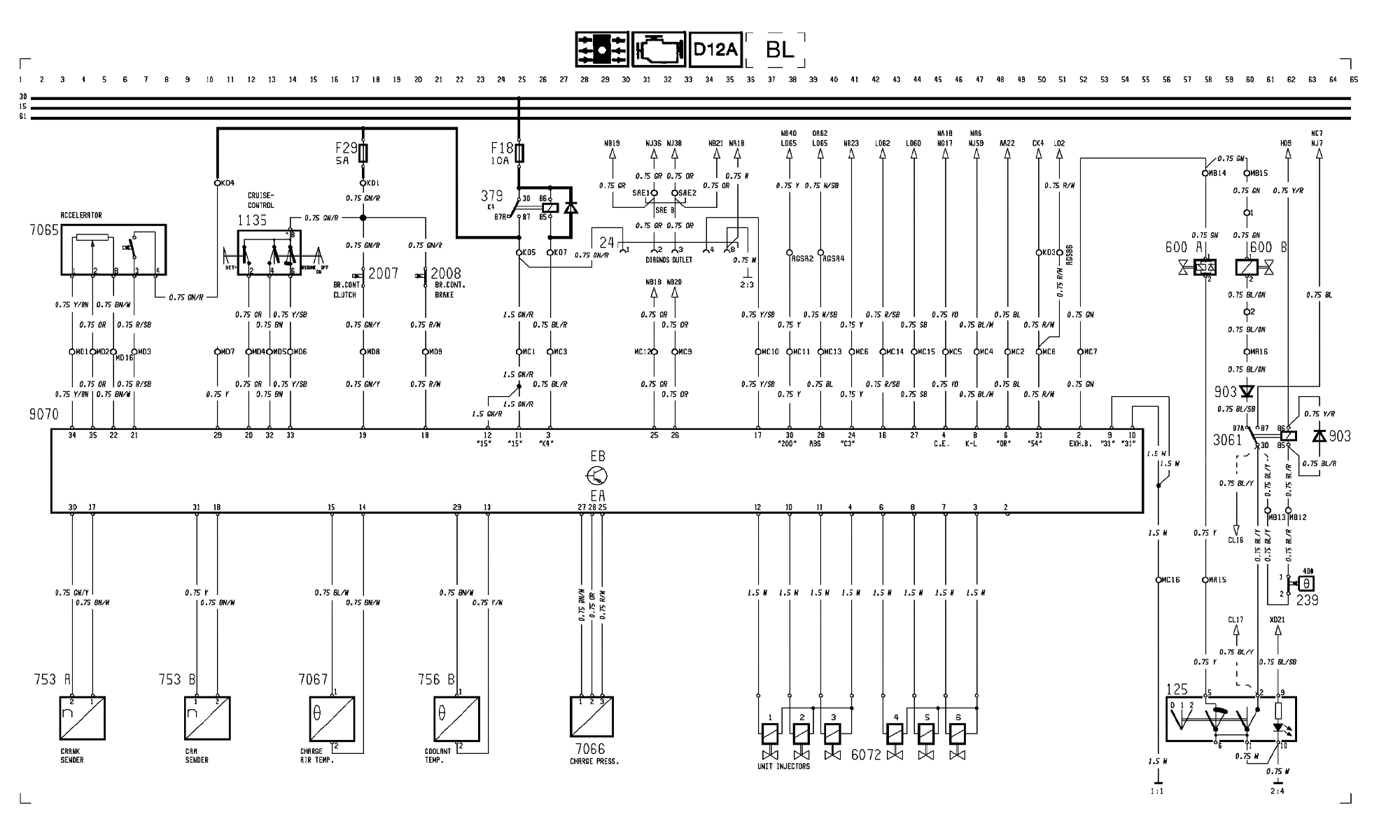
7065 - педаль акслелератор.

1135 - круиз-контроль.

2007- прерыватель педаль сцепление.

2008 - прерыватель педаль тормоза.

600А - электромагнитный клапан тормоза отработавших газов.

600B - электромагнитный клапан тормоза отработавших газов.

239 - тепловой прерыватель контакта.

125 - переключатель тормоза отработавших газов.

6072 - форсунки.

7066 - датчик давления наддува.

756B- датчик температуры охлаждающей жидкости.

7067 - датчик температуры наддува.

753B- датчик частоты вращения коленчатого вала.

753A - датчик частоты вращения распредвала.

9070 - электронный блок управления двигателем.

Узнать о эмуляторах AdBlue здесь. Мы оказываем отключение мочевины 2 способами, интересно? Вам сюда.