Система охлаждения Вольво fh12.

1. Корпус термостата
2. Радиатор
3. Расширительный бачок
4. Клапан давления
5. Датчик уровня
6. Теплообменник
7. Фильтр охлаждающей жидкости
8. Насос системы охлаждения
Охлаждающая способность адаптируется к требованиям конкретного рынка и мощности двигателя. На двигателе D12A /340 площадь поверхности охлаждения радиатора составляет 65 дм². На двигателе D12A /380 площадь поверхности охлаждения радиатора, в зависимости от рынка, составляет 65 или 79 дм². На двигателе D12A /420 площадь поверхности охлаждения радиатора составляет 79 дм². У радиатора с меньшей площадью поверхности охлаждения меньше толщина. Оба радиатора снабжены расширительным бачком со встроенным датчиком уровня.

Вентилятор охлаждения изготавливается из пластика и регулируется термостатом, а его типоразмер подбирается в зависимости от потребностей в охлаждении. Предусмотрено два варианта вентиляторов охлаждения. Принцип работы обоих вариантов одинаковый, ноконструкция регулирующего устройства разная. Диаметр вентилятора составляет 680 и 750 мм, в зависимости от ширины радиатора. Привод вентилятора осуществляется через поликлиновой ремень с автоматическим натяжением.
Насос системы охлаждения установлен на щите распределительных шестерен, его привод осуществляется через распределительные шестерни. Уплотнение насоса выполнено цельным, в качестве уплотняющего элемента используется графит/керамика. Вал насоса установлен на двухрядном шариковом подшипнике. Насос системы охлаждения снабжен фильтром перепускного типа, обеспечивающим постоянное добавление антикоррозионного средства в охлаждающую жидкость при её фильтрации. Трубопровод, идущий к фильтру системы охлаждения, снабжен запорным краном, предотвращающим вытекание жидкости из системы при снятии фильтра для замены. Все остальное время кран должен быть открыт, т.е. ручка должна находиться в вертикальном положении. Кран следует закрывать только при замене фильтра.

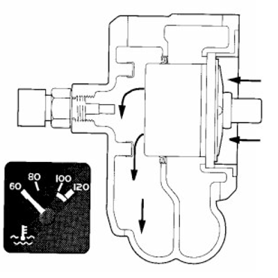
На двигателе установлен термостат гильзового типа. В корпус термостата встроен датчик температуры охлаждающей жидкости. Во время прогрева двигателя термостат закрыт, поэтому поток охлаждающей жидкости из головки блока цилиндров проходит через наружную секцию корпуса термостата обратно к насосу системы охлаждения.

Термостат закрыт.
После прогрева двигателя до рабочей температуры термостат открывается, а выпускной патрубок насоса системы охлаждения постепенно закрывается. Теперь поток охлаждающей жидкости проходит через внутреннюю секцию корпуса термостата и выходит к радиатору.

Термостат закрыт.
Циркуляция охлаждающей жидкости в системе обеспечивается шестеренчатым насосом. Охлаждающая жидкость поступает в головку блока цилиндров по трубе и сначала проходит зону, где установлен маслоохладитель. Затем охлаждающая жидкость распределяется по каналам в блоке цилиндров и головке блока, охлаждая гильзы цилиндров и другие детали двигателя, после чего выходит из головки блока через корпус термостата. На рисунке показан двигатель во время прогрева, когда термостат закрыт, поэтому поток охлаждающей жидкости проходит обратно к насосу системы охлаждения.
Вентилятор охлаждения с термостатическим регулированием состоит из секции вентилятора и секции привода, соединенными между собой вязкостной муфтой статического типа. В муфте имеется ведущий диск (6), установленный на корпусе (7). С каждой стороны ведущего диска (6) предусмотрен воздушный зазор. При включении вентилятора эти зазоры заполняются жидкостью. При работе вентилятора поток жидкости в его ступице может проходить двумя путями. Путь прохождения жидкости, а значит и степень включения вентилятора, зависит от температуры в зоне биметаллической пластины (2). В зависимости от потребностей в охлаждении регулирующее устройство изменяет подачу жидкости в рабочую камеру. Чем больше жидкости в рабочей камере, тем меньше степень проскальзывания в муфте (т.е. выше частота вращения вентилятора). Жидкость постоянно прокачивается в контуре между накопительной и рабочей камерами. При выключении двигателя и вентилятора жидкость перетекает в рабочую камеру, поэтому в первые минуты после запуска двигателя вентилятор обычно включен. A. Отключение Клапан (1) закрывается и жидкость закачивается в накопительную камеру (5). B. ВключениеКлапан (1) открывается и жидкость поступает в рабочую камеру (8).

1. Клапан
2. Биметаллическая пластина
3. Штифт регулятора
4. Рычаг клапана
5. Накопительная камера
6. Ведущий диск
7. Корпус
8. Рабочая камера
А. Регулирующий клапан закрыт Частота вращения вентилятора снижена. Биметаллическая пластина (1) прижимает штифт регулятора (2) к рычагу клапана (3).

1. Биметаллическая пластина
2. Штифт регулятора
3. Рычаг клапана
В. Регулирующий клапан открыт Вентилятор включен на полную мощность. Биметаллическая пластина отгибается наружу из-за повышения температуры окружающего воздуха.
Для облегчения распознавания приводных ремней для них предусмотрена маркировка из трех цветов. Ширина цветных полосок и расстояние между ними составляет примерно 5 мм.

В следующей таблице приведены приводные ремни для двигателя D12A, длина ремня, номер позиции и цветовая маркировка.

Хочешь больше узнать о двигателях Вольво,Рено тебе сюда. Электросхемы на автомобиль Volvo FE можно скачать тут. Интересует электронная система управления ДВС заходим по ссылке.
