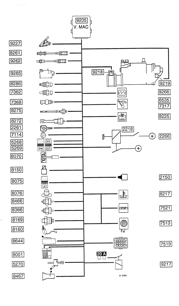
Доброго времени суток, уважаемые читатели! В этой статье пойдет речь, о Рено Магнум Мак. По сегодняшним меркам это довольно устаревшая система. В ее основе лежит топливный насос высокого давления с зубчатой рейкой и электроклапаном опережения "ECONOVANCE". Управляет всеми компонентами вычислительный блок "VMACK". На который в режиме реального времени поступают сигналы: с датчика положения педали акселератора (запрос крутящего момента водителем), датчик коленвала (частота вращения двигателя на данный момент), датчик положения зубчатой рейки (в какой цилиндре подается смесь), индуктивный датчик режима топливного насоса (какое количество топлива может быть подано) и т.д. Принимая во внимание входящие сигналы, ЭБУ рассчитывает нужное количество топлива для наиболее оптимального режима работы двигателя.

2150 - Резерв питания (датчик давления турбокомпрессора)
2218 - Реле остановки двигателя (при опрокинутой кабине)
2261 - Противоугонное устройство и электрический пуск
2266 - Кнопка привода остановки двигателя (при опрокинутой кабине)
5268 - Привод включения регулятора скорости и режима двигателя
5269 - Привод регулировки регулятора скорости и режима двигателя
5270 - Шунт ограничения скорости (для экспортного исполнения)
6535 - Подсветка указателя уровня масла
7114 - Электронный тахограф
7317 - Указатель уровня и давления масла
7362 - Датчик температуры воды
7368 - Датчик давления масла
7513 - Аварийный звуковой сигнал
7519 - Штепсельная розетка для диагностики
7521 - Сигнальная лампа ’’ОПАСНО” - немедленная остановка
8001 - Вычислительное устройство для системы “ABS-ASR”
8070 - Привод электрозамедлителя
8075 - Выключатель тормоза двигателя “J”
8076 - Ножной электрический выключатель замедлителя на выпуске 8150 - Электроклапан замедлителя на выпуске
8160 - Выключатель стоп-сигнала
8169 - Манометрический выключатель стояночного тормоза
8217 - Аварийная лампа температуры воды
8225 - Аварийный сигнализатор уровня воды
8261 - Датчик скорости вращения двигателя
8272 - Датчик уровня воды
8275 - Датчик уровня масла в двигателе
8286 - Датчик температуры воздуха наддува
8366 - Контакт на отборе мощности
8466 - Контакт нейтрального положения коробки передач
8467 - Контакт на первой передаче 8644 - Выключатель сцепления
9205 - Вычислительное устройство “VMAC”
9217 - Реле питания вычислительного устройства “VMAC”
9218 - Электроклапан опережения “ECONOVANCE”
9219 - Привод зубчатой рейки топливного насоса 9227 - Датчик положения педали акселератора
9262 - Индуктивный датчик режима топливного насоса
9265 - Датчик положения зубчатой рейки топливного насоса
9266 - Информационная лампа и тест-лампа неисправности “VMAC”
Компьютерная диагностика Renault Premium. Renault Premium DCI, хотите узнать о ремонте форсунок, все тут.
